Enquiry
Enquiry

Stepper Motor

Hybrid Stepper Motor

NEMA11 (28MM)

Model : NEMA11 Stepper motor-SM28HS(1.8 degree)

General Specification :

Step Accuracy ------------------------------ ±5%

Resistance Accuracy ----------------------- ±10%

Inductance Accuracy ---------------------- ±20%

Temperature Rise -------------------------- 80°C MAX.

Ambient Temperature Range ------------- -20°C~ +50°C

Storage Temperature Range ------------- -30°C~ +60°C

Insulation Resistance ---------------------- 100M Ω MIN. 500V DC

Dielectric Strength ------------------------- 500V AC 1min

Radial Play --------------------------------- 0.02mm MAX. (450g Load)

End Play ------------------------------------ 0.08mm MAX. (450g Load)

Max. radial force --------------------------- 28N

Max. axial force ---------------------------- 10N

Electrical Specification:

Model No Step Angle Motor Length Current /Phase Resistanc e /Phase Inductanc e /Phase Holding Torque Lead wires Rotor Inertia Motor Weight
( °) (L)mm A Ω mH g.cm No. g.cm 2 Kg
SM28HS32-0956 1.8 32 0.95 2.8 0.8 430 6 9 0.11
SM28HS32-0674 1.8 32 0.67 5.6 3.4 600 4 9 0.11
SM28HS45-0956 1.8 45 0.95 3.4 1.2 750 6 12 0.14
SM28HS45-0674 1.8 45 0.67 6.8 4.9 950 4 12 0.14
SM28HS51-0956 1.8 51 0.95 4.6 1.8 900 6 18 0.2
SM28HS45-0674 1.8 51 0.67 9.2 7.2 1200 4 18 0.2

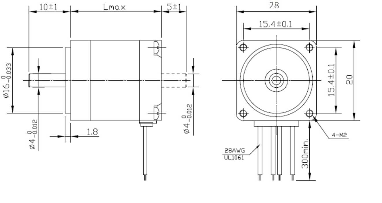
Dimensions : (Unit=mm)

Wiring Diagram